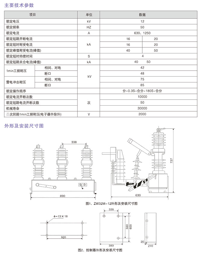
ZW32M-12系列戶外高壓永磁真空斷路器概述:
ZW32M-12系列戶外高壓永磁真空斷路器為額定電壓為12kV,三相交流50Hz的戶外配電設備。主要用于開斷、關合系統中的負荷電流、過載電流及短路電流。適用于變電站及工礦企業配電系統中作保護和控制之用,及農村電網頻繁操作的場所。
ZW32M-12系列戶外高壓永磁真空斷路器主要功能特點:
1、智能化控制功能:該斷路器具有就地開關狀態控制、三段式過流保護、三次自動重合閘等功能外,還有RS一485通訊接口能實現遙測、遙調、遙控、遙訊等功能,適用于各種規模的自動化配電系統。
2、永磁式操作機構:本斷路器采用目前最先進的永磁式操作機構,機構零部件不磨損,其機械 壽命可達到30000次,是普通彈簧機構的3倍。由于永磁機構機械零件數量比彈簧機構減小了70%,開關的可靠性得到大幅度提高。
3、全密封的結構設計:該斷路器的真空滅弧室,操作機構及操作連桿全密封在斷路器底座內,解決了凝露對斷路器零件的銹蝕,產品可以達到10年內免維護。
4、小型化結構:斷路器采用新型復合固體絕緣材料,將真空滅弧室、主導電回路、絕緣支撐等有機地組合成為一個集成固封極柱,徹底解決了真空滅弧室小型化與滿足外絕緣要求的矛盾。 整個產品設計先進合理,結構緊湊,內部無凝露,機構無銹蝕。
